How To Turn Park Lights Off . If the issue persists, inspect for electrical faults or a blown fuse. In the vast majority of modern cars, you can turn your sidelights on with the same control as your headlights. Web this will turn on the parking lights while leaving the headlights off. Web the white xenon parking lights die off quite fast (less than a year) and recently the lights won't switch off. This is a video to remedy that. Turn off parking light switch. With the parking lights on, your vehicle will be more visible to other drivers,. Web to reset a parking light, first, ensure the vehicle is off. Turn the headlight switch or parking light switch off and then on again. Web have you turned your car off but your parking lights are still on? Web how to turn on parking lights. Car lights won’t turn off.
from www.behance.net
Web to reset a parking light, first, ensure the vehicle is off. This is a video to remedy that. With the parking lights on, your vehicle will be more visible to other drivers,. Web the white xenon parking lights die off quite fast (less than a year) and recently the lights won't switch off. Turn off parking light switch. In the vast majority of modern cars, you can turn your sidelights on with the same control as your headlights. Web how to turn on parking lights. Web have you turned your car off but your parking lights are still on? Web this will turn on the parking lights while leaving the headlights off. If the issue persists, inspect for electrical faults or a blown fuse.
JURASSIC PARK TURN THE LIGHT OFF on Behance
How To Turn Park Lights Off Car lights won’t turn off. In the vast majority of modern cars, you can turn your sidelights on with the same control as your headlights. This is a video to remedy that. Web the white xenon parking lights die off quite fast (less than a year) and recently the lights won't switch off. With the parking lights on, your vehicle will be more visible to other drivers,. Turn the headlight switch or parking light switch off and then on again. Web how to turn on parking lights. Turn off parking light switch. Car lights won’t turn off. Web to reset a parking light, first, ensure the vehicle is off. Web have you turned your car off but your parking lights are still on? Web this will turn on the parking lights while leaving the headlights off. If the issue persists, inspect for electrical faults or a blown fuse.
From askcarmechanic.com
Car Lights Won’t Turn Off? 10 Reasons Why How To Turn Park Lights Off Car lights won’t turn off. Web how to turn on parking lights. In the vast majority of modern cars, you can turn your sidelights on with the same control as your headlights. Turn the headlight switch or parking light switch off and then on again. This is a video to remedy that. If the issue persists, inspect for electrical faults. How To Turn Park Lights Off.
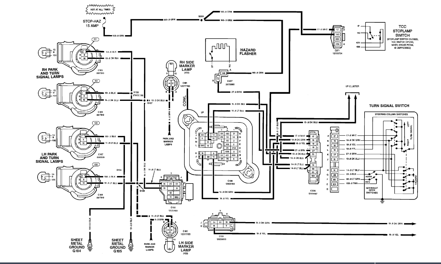
From wiringdiagramdepasture.z14.web.core.windows.net
Turn Signal Wiring Instructions How To Turn Park Lights Off Web to reset a parking light, first, ensure the vehicle is off. Web how to turn on parking lights. If the issue persists, inspect for electrical faults or a blown fuse. Turn off parking light switch. Turn the headlight switch or parking light switch off and then on again. With the parking lights on, your vehicle will be more visible. How To Turn Park Lights Off.
From www.2carpros.com
Parking Lights Go on and Off Randomly? How To Turn Park Lights Off Web this will turn on the parking lights while leaving the headlights off. Web have you turned your car off but your parking lights are still on? This is a video to remedy that. Turn off parking light switch. Web how to turn on parking lights. If the issue persists, inspect for electrical faults or a blown fuse. Car lights. How To Turn Park Lights Off.
From www.wheelsjoint.com
Enable or disable auto headlights on Ford F150 How To Turn Park Lights Off Web to reset a parking light, first, ensure the vehicle is off. Car lights won’t turn off. Web have you turned your car off but your parking lights are still on? Web the white xenon parking lights die off quite fast (less than a year) and recently the lights won't switch off. Web this will turn on the parking lights. How To Turn Park Lights Off.
From homeminimalisite.com
How Do You Turn Off Parking Lights How To Turn Park Lights Off Car lights won’t turn off. If the issue persists, inspect for electrical faults or a blown fuse. Web have you turned your car off but your parking lights are still on? With the parking lights on, your vehicle will be more visible to other drivers,. In the vast majority of modern cars, you can turn your sidelights on with the. How To Turn Park Lights Off.
From www.justanswer.com
Right side front parking light cannot be turned off. What can I do? How To Turn Park Lights Off Web this will turn on the parking lights while leaving the headlights off. Turn off parking light switch. This is a video to remedy that. Web have you turned your car off but your parking lights are still on? In the vast majority of modern cars, you can turn your sidelights on with the same control as your headlights. Web. How To Turn Park Lights Off.
From www.2carpros.com
Park Lights Will Not Turn Off? Park Lights Won't Turn Off... How To Turn Park Lights Off Web this will turn on the parking lights while leaving the headlights off. With the parking lights on, your vehicle will be more visible to other drivers,. In the vast majority of modern cars, you can turn your sidelights on with the same control as your headlights. If the issue persists, inspect for electrical faults or a blown fuse. Turn. How To Turn Park Lights Off.
From www.2carpros.com
Park Lights Will Not Go Off Shut Engine Off and Park Lights How To Turn Park Lights Off Car lights won’t turn off. In the vast majority of modern cars, you can turn your sidelights on with the same control as your headlights. Turn the headlight switch or parking light switch off and then on again. If the issue persists, inspect for electrical faults or a blown fuse. Web have you turned your car off but your parking. How To Turn Park Lights Off.
From www.2carpros.com
Park Lights Will Not Go Off Shut Engine Off and Park Lights How To Turn Park Lights Off If the issue persists, inspect for electrical faults or a blown fuse. Car lights won’t turn off. Web how to turn on parking lights. Web to reset a parking light, first, ensure the vehicle is off. Web the white xenon parking lights die off quite fast (less than a year) and recently the lights won't switch off. Web have you. How To Turn Park Lights Off.
From www.2carpros.com
Park Lights Will Not Go Off Shut Engine Off and Park Lights How To Turn Park Lights Off Web this will turn on the parking lights while leaving the headlights off. If the issue persists, inspect for electrical faults or a blown fuse. Turn off parking light switch. Car lights won’t turn off. Web how to turn on parking lights. Web the white xenon parking lights die off quite fast (less than a year) and recently the lights. How To Turn Park Lights Off.
From www.clublexus.com
Parking lights wont turn off Club Lexus Forums How To Turn Park Lights Off Car lights won’t turn off. Web to reset a parking light, first, ensure the vehicle is off. Turn off parking light switch. With the parking lights on, your vehicle will be more visible to other drivers,. If the issue persists, inspect for electrical faults or a blown fuse. Web have you turned your car off but your parking lights are. How To Turn Park Lights Off.
From www.clublexus.com
Parking lights wont turn off ClubLexus Lexus Forum Discussion How To Turn Park Lights Off Turn off parking light switch. Web the white xenon parking lights die off quite fast (less than a year) and recently the lights won't switch off. If the issue persists, inspect for electrical faults or a blown fuse. Turn the headlight switch or parking light switch off and then on again. Web to reset a parking light, first, ensure the. How To Turn Park Lights Off.
From www.brightlighthub.com
How to Turn off Parking Lights 10 Effective Methods (2024) How To Turn Park Lights Off Web have you turned your car off but your parking lights are still on? Web this will turn on the parking lights while leaving the headlights off. Web to reset a parking light, first, ensure the vehicle is off. If the issue persists, inspect for electrical faults or a blown fuse. Car lights won’t turn off. Web how to turn. How To Turn Park Lights Off.
From theaterdiy.com
Turn Off All the Lights (2024) How To Turn Park Lights Off In the vast majority of modern cars, you can turn your sidelights on with the same control as your headlights. This is a video to remedy that. Web the white xenon parking lights die off quite fast (less than a year) and recently the lights won't switch off. Turn the headlight switch or parking light switch off and then on. How To Turn Park Lights Off.
From www.youtube.com
2005 dodge ram park lights won't turn off YouTube How To Turn Park Lights Off Turn off parking light switch. Web have you turned your car off but your parking lights are still on? If the issue persists, inspect for electrical faults or a blown fuse. This is a video to remedy that. Turn the headlight switch or parking light switch off and then on again. Web this will turn on the parking lights while. How To Turn Park Lights Off.
From homeminimalisite.com
What Could Cause The Brake Warning Light To Come On How To Turn Park Lights Off In the vast majority of modern cars, you can turn your sidelights on with the same control as your headlights. Turn the headlight switch or parking light switch off and then on again. Car lights won’t turn off. Web have you turned your car off but your parking lights are still on? With the parking lights on, your vehicle will. How To Turn Park Lights Off.
From www.2carpros.com
Park Lights Will Not Go Off Shut Engine Off and Park Lights How To Turn Park Lights Off This is a video to remedy that. Web this will turn on the parking lights while leaving the headlights off. Web to reset a parking light, first, ensure the vehicle is off. Turn the headlight switch or parking light switch off and then on again. Web have you turned your car off but your parking lights are still on? If. How To Turn Park Lights Off.
From hournineracecraft.com
Hournine Racecraft Turn Signal Integrated Parking Lights How To Turn Park Lights Off Web have you turned your car off but your parking lights are still on? Car lights won’t turn off. This is a video to remedy that. In the vast majority of modern cars, you can turn your sidelights on with the same control as your headlights. If the issue persists, inspect for electrical faults or a blown fuse. Turn off. How To Turn Park Lights Off.